Šiame metodiniame leidinyje aprašomi paruošiamieji darbai, kuriuos reikėtų atlikti prieš kreipiantis į elektriką su prašymu parengti namo elektros instaliacijos projektą. Atsakydami į pateiktus klausimus, visų pirma galvokite apie tai, kas jums asmeniškai būtina, gražu ir, svarbiausia, patogu. Tai kūrybinė užduotis, kurią galima atlikti elektroniniu būdu, atsispausdinus dokumentą arba naudojant jį kaip pagalbinę priemonę laisva forma aprašant savo pageidavimus.
Namų elektros instaliacijos projektavimo pagrindai
Kuriant elektros instaliacijos projektą, būtina turėti kelis svarbius dokumentus:
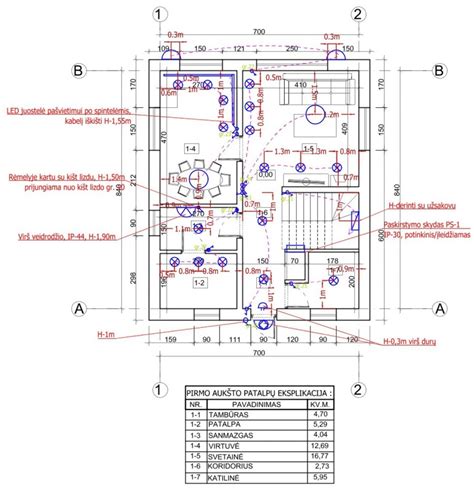
- Visų patalpų planą (2 kopijos: viename žymimos rozetės, kitame - apšvietimas).
- Bendrą sklypo planą (laukinės elektros įrangos žymėjimui - apšvietimui ir pan.).
Dėmesio! Jei susimąstėte apie elektros instaliaciją, vadinasi, pats laikas pagalvoti ir apie kitas inžinerines sistemas, kurioms gali reikėti kitokių laidų ir galbūt atskirų projektų.

Individualūs poreikiai ir pageidavimai
Planuojant elektros instaliaciją, svarbu atsižvelgti į individualius poreikius ir specifinius prietaisų reikalavimus. Pavyzdžiui, dviejų aukštų namo, kurio bendras plotas 170 kv.m., savininkas gali turėti specifinių pageidavimų:
- Lauko apšvietimo programavimas pagal laiką.
- Visų įėjimų apšvietimo reguliavimas automatiniu judesio detektoriumi tamsiu paros metu.
- Mėgstantiems kepti: dvi galingos elektrinės orkaitės ir didžiulis atskiras šaldiklis virtuvėje.
- Medžio skulptūrų kūrėjams: galimybė pajungti elektrinius instrumentus vidiniame kiemelyje.
- Naujametinių girliandų dekoravimui: įmontuotos rozetės.
- Planuojami papildomi statiniai sklype: atskiras ūkinis pastatas ir pirtis.
Rozetės: aukštis, tipas ir paskirtis
Vienoje iš paruoštų patalpų plano kopijų sužymėkite, kur ir kiek rozečių norite turėti. Įprasta rozetes montuoti 20-30 cm aukščiau grindų lygio, tačiau tai ne visada ir ne visur patogu.
Individualūs rozetės aukščio pasirinkimai
- Rozetės prie lovos spintelės: patogu įrengti kiek aukščiau spintelės viršaus.
- Naminiams gyvūnams ar mažiems vaikams: patogu, kai rozetės, į kurias jungiami kompiuteriai ar kita aparatūra, būna aukščiau stalviršio (laidai nesidriekia palei grindis, kur gali būti nugraužti ar su jais žaidžiama).
- Virtuvėje prie darbastalio: patogu montuoti ten, kur naudojami virtuviniai prietaisai, o ne gręžti skyles stalviršyje ir statyti papildomus ilgintuvus.
- Vonioje: planuojant rozetes elektrinei barzdaskutei ar plaukų džiovintuvui, svarbu, kad ji nebūtų per žemai, kad laido ilgio pakaktų pakelti prietaisą į tinkamą aukštį.
Storesnis kabelis rekomenduojamas virtuvinėms rozetėms, į kurias vienu metu neretai būna pajungiama keletas galingų prietaisų (maisto smulkintuvas, elektrinė garinė krosnelė ir kt.).

Specialios paskirties ir standartinės rozetės
Rozetės, skirtos stacionariai ir ypatingai technikai, žymimos kvadratukais su numeriais. Tęskite sąrašą, jei žinote, kad jūsų namuose bus nepaminėti prietaisai ar įrenginiai (akvariumas, projektorius ir t.t.). Atskirai nurodykite, jei prietaisui reikės trifazio pajungimo. Specialios paskirties rozetės yra skirtos montuojamai technikai.
Visas likusias rozetes, pažymėkite toje pačioje schemoje tuščiais kvadratėliais tose vietose, kur jos jums reikalingos. Vienas kvadratėlis - viena rozetė. Nerekomenduojama montuoti viengubų rozečių, nebent tai koks užkaboris, kur tik kartkartėmis bus įjungiamas dulkių siurblys.
Praktiški rozečių valdymo sprendimai
Galima įrengti mygtuką, kurį nuspaudus, visos rozetės namuose (išskyrus šaldytuvą ir kitą buitinę techniką, kuri veikti turi pastoviai) išsijungs. Tai gali būti gan praktiškas būdas sutaupyti energijos ir užtikrinti saugumą.
Apšvietimo planavimas
Duomenys apie apšvietimą žymimi antroje vidaus patalpų plano kopijoje. Pagrindinė mintis čia tokia: reikia nurodyti kiekvieno šviestuvo vietą, jo tipą, galingumą ir vietą, kur norite, kad būtų įrengtas jungiklis tam šviestuvui ar šviestuvų grupei. Vienas jungiklis gali įjungti/išjungti keletą šviestuvų.
Apšvietimo variantų gausa
Apšvietimo klausimas tikrai sudėtingas. Jei neturite specialaus dizainerio parengto apšvietimo projekto, jį teks susikurti patiems. Dabar egzistuoja visa galybė apšvietimo varijantų: jums teks rinktis iš LED, halogeninių, liuminiscensinių įvairiausio dizaino lempučių, nuspręsti ar reikia kurioje nors vietoje galimybės pritemdyti šviesą, padaryti taip, kad šviesa įsijungtų nuo judesio, garso, tam tikru laiku ir pan. O kur dar visokios šviesos spalvos (šilta, šalta, dienos...).
Šviestuvų ir jungiklių žymėjimas plane
Šviestuvai plane žymimi apskritimais. Jei nepažymėta kitaip, manoma, kad šviestuvas skirtas 220 V maitinimui ir jam nereikalingas ryškumo valdymas. Ypatumus (LED, 12 V maitinimas, reikalingas DIM ir t.t.) būtina nurodyti.
Įprastai jungikliai montuojami 90-100 cm nuo grindų aukštyje. Kaip ir rozetės, taip ir visi šviestuvai, gali turėti nemažai valdymo galimybių.

Lauko elektros instaliacija
Atėjo laikas pasiimti sklypo planą ir sužymėti jame visus įrenginius ir jų pajungimo vietas, kurios yra lauke. Rozetės, kaip ir viduje, žymimos kvadratais tose vietose, kur jų reikia. Lauko apšvietimas gali sąlyginai būti skirstomas į tuos šviestuvus, kurie montuojasi ant pastato fasado ir kiemo apšvietimą.
Papildomi lauko įrenginiai
Būtina nurodyti kitų įrenginių (žaliuzių, vartų ir pan.) pajungimo vietą ir tipą. Neužmirškite nurodyti tokiems įrenginiams reikalingų fazių, o geriausia būtų nurodyti modelį.

Elektros instaliacijos svarba ir saugumas
Ar įsivaizduotumėte savo gyvenimą be elektros? Turbūt, ne. Tačiau perdegusi lemputė nėra pati didžiausia bėda, daug blogiau, kai bute dingsta elektra. Elektros instaliacija - tai namų saugumas bei patogumas. Dirbdami su elektra, žinome visų laidų paskirtį ir žymėjimų reikšmes, tuo tarpu kitiems ne visada aišku, ką reiškia vienas ar kitas žymėjimas.
Saugikliai ir jų reikšmė
Elektros instaliacija negalima be saugiklių. Jie yra silpniausia visos instaliacijos grandis. Daugelis yra matę paprastus saugiklius, kuriuos sudaro korpusas, galuose - du kontaktai, ir juos jungianti labai plona vielutė. Būtent ši vielutė ir yra ploniausia visoje elektros instaliacijos grandinėje. Gedimo atveju, sustiprėjus srovei, ta plonoji vielutė įkaista ir gali išsilydyti.
Kabelių parinkimas ir izoliavimas
Praktiškai visų šiuolaikinių kabelių gyslos yra varinės. Variniai kabeliai gali būti ir lankstūs, ir kieti. Nuosavuose namuose dažniausiai naudojami 1,5 ir 2,5 kv. mm laidai. 1,5 kv. mm laidai naudojami apšvietimo instaliacijai. Rozetės jungiamos naudojant 2,5 kv. mm laidus.
Kai kabelius praveda ne elektros montuotojai, pamirštama pažymėti, kokiam tikslui skirtas kabelis. Elektrikai karkasiniame name prastai izoliuoja laidų išėjimus per garo izoliacinę plėvelę. Tokiu būdu prarandamas sandarumas, nuo kurio itin daug priklauso energetinis efektyvumas; išėjimams sandarinti naudojamos specialios tarpinės. Elektrikai praveda naujus laidus tiesiogiai pragręždami karkasinę konstrukciją jau uždėjus apdailos plokštes.
Instaliacinių dėžučių montavimas
Instaliacinės dėžutės montavimas mūre reikalauja ypatingo kruopštumo. Ertmė, kurioje įstatoma dėžutė, turi būti pilnai užpildyta.
Gipskartonio sienoje instaliacija daug paprastesnė. Specialios instaliacinės dėžutės gipskartoniui turi prisispaudžiančius ir dėžutę įtvirtinančius sparnelius. Prieš dedant dėžutę, laidams išlaužiamos skylės. Tam dėžutėse yra numatytos specialios zonos su plonesniu plastiku. Garso izoliacijai padidinti daromos specialios dėžutės iš gipskartonio. Norint pagerinti garso izoliaciją, galima įpurkšti montavimo putų. Meistrai pataria - neužmiršti prieš tai įpurkšti vandens. Instaliacinė dėžutė pritvirtinama prie gipskartonio iš išorės prisukamais lapeliais.
Instaliacinių dėžučių parinkimo kriterijai
Parduotuvėse išties didelė instaliacinių dėžučių pasiūla, todėl perkant jas reikia žinoti, kuo viena rūšis pranašesnė už kitą ir kokios dėžutės reikia būtent jums:
- Dėžutės skersmuo ir gylis: Siekiant nesukelti papildomų sunkumų elektrikui, svarbu pasirinkti pakankamai gilią ir didelę dėžutę. Esant per mažam dėžutės skersmeniui arba gyliui, elektrikui problemiška sudėti visus sujungtus kabelius ir dar įtalpinti jungiklio ar rozetės mechanizmą. Atsisakant komutacinių dėžučių, atsiranda poreikis viską komutuoti už jungiklių esančiose dėžutėse. Dažniausia komutacijai naudojamos pagilintos dėžutės.
- Dėžutės sandarumas: Dėžučių sandarumas yra svarbus, norint išvengti papildomo darbo po sienų tinkavimo.
- Dėžutės konstrukcijos tvirtumas: Nuo dėžutės konstrukcijos tvirtumo priklauso, kaip tvirtai ji įsikabina į tinką. Dėžutės konstrukcijos tvirtumui naudojamos tvirtinimo tinkle juostos.
- Dėžutės tvirtinimosi taškai: Dėžutėje esantys tvirtinimosi taškai gali būti 2 arba 4. Jei dėžutė tinke bus sumontuota šiek tiek kreivai, esant keturiems tvirtinimosi taškams bus galima tiksliau sumontuoti joje elektros gaminio (rozetės, jungiklio) mechanizmą tinkamai. Esant dviems tvirtinimosi taškams įmontuoti gaminį į dėžutę yra problematiškiau, o esant kreivai įmontuotai dėžutei galimas netikslus ir elektros gaminio sumontavimas joje. Todėl rekomenduojame rinktis instaliacines dėžutes su keturiais tvirtinimosi taškais.

Sienų paruošimas ir montavimo tikslumas
Elektros įrangos montavimo sėkmė pirmiausia priklauso nuo sienų, ant kurių jie bus montuojami. Nepakankamai kokybiškas sienų nutinkavimas/glaistymas/dažymas gali sukelti problemų ir pareikalauti papildomo darbo bei išlaidų.
- Dėžutė sienoje turi būti aptinkuota (paslėpta instaliacinės dėžutės briauna). Kitu atveju atsiras problema montuojant gaminį (elektros jungiklį, rozetę ir pan.), jis nepriglus prie sienos.
- Aplink instaliacines dėžutes esantys nelygumai niekur nedings ir sumontavus jungiklį, o dar papildomai išryškės. Todėl patariame atidžiai apžiūrėti, ar jungiklių vietos nutinkuotos tolygiai, be jokių „ertmių“ ar pan.
- Jei montuojamiems elektros jungikliams naudosite daugiavietį jungiklių rėmelį, dar labai svarbu - sienos vertikalumas/lygumas. Visas rėmelio plotas turi priglusti prie sienos nespaudžiant, netempiant ar nedarant panašių veiksmų. Užtraukus rėmelį, pertempiant jį, atsiranda tikimybė, kad laikui bėgant šis nuo įtampos skils, ar net sugadins pačio jungiklio kontaktinę dalį, ko pasekoje jungiklis nebefunkcionuos.
- Jei tinkavimo metu, instaliacinės dėžutės buvo sujungtos tarpusavyje netiksliai ir nebuvo išlaikytas „tarpcentrinis“ matmuo - atsiras problema ne tik sumontuoti eilę gaminių, bet ir užtikrinti pačio gaminio sklandų darbą. Užspaustas iš šono, rėmeliu, jungiklio klavišas nuolat strigs, o vėliau - greičiausia, suges.

Laidų paruošimas ir prijungimas
SVARBU! Pirmiausia montuojant jungiklį reikia nuimti išorinį apvalkalą nuo potinkinėje įtaiso dėžutėje esančio trigyslio laido. Tam naudojami specialūs izoliacijos nuėmimo įrankiai (replės, peilis ar kt.). Apvalkalą nuėmus, reikia pasirūpinti, kad 3 laidų (neutraliojo, fazės ir įžeminimo) ilgis neviršytų 10 cm. Tada nuo šių 3 laidų galiukų reikia nuvalyti izoliaciją (tai daroma atsižvelgiant į jungiklio gamintojo siūlomus parametrus. Dažniausia rekomenduojamas nuvalymo dydis būna tarp 11-16mm). Laido nuvalymo ilgis labai svarbus kištukiniuose lizduose, kadangi nuvalius daugiau nei rekomenduojama, rizikuojate užspausti fazinius lizdo kontaktus, ko pasekoje elektros šakutė tiesiog nelys į kištukinį lizdą.
Kokį laido ilgį nuvalyti Jums aiškiai nurodys skaičius jungiklio mechanizmo pagrinde-nugarėlėje (arba atitinkamas piešinukas). Svarbu tiksliai nustatyti, kuris laidas yra fazinis (juo teka srovė), kuris yra neutralusis („nulinis") ir kuris - įžeminimo. Žymiai lengviau tai atlikti naudojantis šiuolaikiniais jėgos kabeliais - jie turi aiškią spalvinę laidų žymėjimo sistemą: "nulinis" laidas apvilktas mėlynu izoliaciniu apvalkalu, fazinis laidas - rudas arba juodas, apsauginis įžeminimo laidas visada yra žaliai geltonos spalvos. Senuose "tarybiniuose" laiduose atskirti fazinį laidą nuo "nulinio" galima įtampos matuokliu (pavyzdžiui, indikatoriumi - atsuktuvu su lempute), prieš tai įjungus į elektros srovę.
Fazinis laidas prijungiamas prie jungiklio įtaiso per atitinkamą gnybtą varžteliu (priklausomai nuo modelio ir gamintojo, gnybtas, skirtas faziniam laidui, gali būti pažymėtas raide L arba strėlyte, nukreipta išorėn). Savo ruožtu, neutralusis mėlynas laidas įstatomas į jam skirtą gnybtą (N raidė arba strėlytė, nukreipta vidun). Laidą reikia patikimai prisukti arba prispausti suspaudikliu, bet ne per stipriai, kad nesulaužytumėte gyslos ir nepersuktumėte sraigtų. Gaminį reikia jungti kaip nurodyta schemoje ir ant jungiklio pagrindo - nugarėlės. Nereikalingi laidai (jei to reikia) sujungiami suktukais arba izoliuojami. Laidų jungimai gali būti atlikti ir pagilintose instaliacinėse dėžutėse, nemontuojant papildomai paskirstymo dėžučių palubėje).
Jungiklių ir rozečių montavimas
Jei gaminys funkcionuoja gerai, tada jau galima jį montuoti sienoje. Rekomenduojame prieš montuojant jungiklį sienoje nusipiešti, pasižymėti gulsčiuko parodymus arba prisukinėjant jungiklį kartu rankoje laikyti ir gulsčiuką. Svarbu neperveržti medsraigčių. Juos reikia veržti tol, kol gaminio atrama nepradėjo deformuotis (nuo veržimo).
Jei gaminiai montuojami daugiaviečiuose rėmeliuose, negali būti tarpų tarp kiekvieno gaminio atramų. Jie arba susiveda vienas prie kito, arba vienas į kitą. Sumontavus kiekvieną gaminį, pasitikrinkite gulsčiuku, ar jie yra reikiamame lygyje, ir ar vienoje linijoje. Sumontavus mechanizmus į sieną, veržiant medsraigčius (3x16 arba 3x19), neišlenkite metalinės tvirtinimo atramos, uždėkite rėmelį, jį prispauskite spaudikliu (jei toks numatytas gaminio konstrukcijoje). Patikrinkite, ar jungiklis funkcionuoja ir nėra perspaustas, ar sumontuotas per giliai. Jei viskas tvarkoje, uždėkite klavišus/dangtelius. Pajunginėkite, ir patikrinkite ar jungiklis veikia nestrigdamas, ar klavišai junginėjasi pakankamai laisvai. Jei to nėra, tikrinkite išcentrinius matmenis ir lygiagretumą (kiekvieno jungiklio mechanizmas turi būti vienoje linijoje, tiek horizontaliai tiek vertikaliai).

Specifiniai elektros instaliacijos aspektai
Virtuvės elektros instaliacija
Virtuvė - viena sudėtingiausių erdvių visame būste elektros instaliacijos požiūriu. Planuojant elektros instaliaciją virtuvėje būtina atsižvelgti ne tik į rozečių vietą, bet ir į kabelio skerspjūvį bei leidžiamą apkrovą. Net nedidelis galios padidėjimas reikalauja storesnio laido. Pavyzdžiui, variniam izoliuotam laidui 2,5 mm² saugi apkrova yra apie 21 A (≈ 4,6 kW prie 220 V), tačiau galingesniems prietaisams, tokiems kaip kaitlentės ar orkaitės, dažnai būtinas 4-6 mm² kabelis arba net trifazis pajungimas.
Būtini virtuvės instaliacijos planavimo etapai
- Virtuvės ir baldų išplanavimas.
- Baldų projektas (3D arba techninis).
- Elektros instaliacijos planas.
Lauko elektros lizdai
Montuojant lauko lizdus, pasirinkite specialius modelius su aukšta IP apsaugos klasė. Tokie lizdai apsaugo nuo drėgmės ir dulkių. Būtina užtikrinti apsaugą nuo drėgmės ir dulkių. Pasirinkite lizdus su IP44 ar aukštesnės apsaugos klase.
Bendros saugos rekomendacijos
Elektros lizdų ir jungiklių montavimas turi atitikti saugumo reikalavimus. Svarbiausia užtikrinti tinkamą įžeminimą. Naudokite kokybiškas medžiagas, kurios atitinka tarptautinius saugos standartus. Laidai turi būti tinkamo skersmens, pritaikyti numatytai apkrovai.
Visus montavimo darbus atlikite išjungus elektros tiekimą. Tai padės išvengti nelaimingų atsitikimų. Jei kyla abejonių dėl darbų kokybės, visada kreipkitės į kvalifikuotus specialistus.
Dažniausiai pasitaikančios klaidos ir jų vengimas
Netinkamas elektros lizdų montavimas gali sukelti rimtų problemų. Dažniausia klaida - netinkamai pritvirtintos dėžutės. Prasta kabelių izoliacija - dar viena klaida. Laidų sujungimai turi būti tinkamai izoliuoti, kad būtų išvengta trumpųjų jungimų. Nepakankamas dėmesys apsaugai nuo drėgmės - dažna klaida lauko sąlygomis.
Dar viena klaida - nepakankamai tvirtai prijungti laidai. Laidai turi būti stabiliai pritvirtinti prie lizdo kontaktų, kad būtų užtikrintas patikimas ryšys.
Kaip išvengti klaidų?
Šių klaidų galite išvengti, jei dirbsite atidžiai ir laikysitės saugos reikalavimų. Jei lizdas nestabilus ar šyla, nedelsdami išjunkite elektros tiekimą ir kreipkitės į specialistus. Tinkamai atliktas elektros lizdų ir jungiklių montavimas užtikrina jūsų namų saugumą ir patogumą. Laikydamiesi saugos standartų, galite išvengti elektros avarijų ir užtikrinti stabilų prietaisų veikimą.
Dažniausiai pasitaikančių klaidų galite išvengti planuodami darbus ir naudodami tinkamas priemones. Jei abejojate dėl savo žinių, visada kreipkitės į specialistus. Investicija į kokybišką montavimą atsiperka saugumu ir ilgaamžiškumu.
Profesionalų teikiamos paslaugos
Jei planuojate montavimo darbus ar kyla klausimų, kreipkitės į specialistus. Patyrę specialistai atlieka visus darbus susijusius su elektra:
- Elektros instaliacijos montavimas: kištukinių lizdų („rozečių“), jungiklių ir juos jungiančių kabelių montavimas.
- Įvadinių ir kitų lauko elektros kabelių montavimas.
- Statybinių elektros įvadų (statybinių elektros skydelių) montavimas.
- Elektros instaliacijos varžų matavimai, dokumentų rengimas, elektros energetikos įrenginių techninės būklės patikrinimo akto sudarymas ir pridavimas elektros tinklo operatoriui AB ESO.
- Įžeminimo „kontūro“ (įžemintuvo, įžeminimo įrenginio) montavimas, elektros prietaisų sujungimas su įžeminimo „kontūru“.
- Elektros instaliacijos būklės patikra: laidų ir kabelių izoliacijos, jų kontaktinių sujungimų patikrinimas, kištukinių lizdų („rozečių“), jungiklių, jungiamųjų dėžučių ir kitų elektrinių dalių techninės būklės patikrinimas.
- Elektros gedimų šalinimas.
Jei reikia elektriko, kreipkitės jau dabar. Susisiekite su mumis: Telefonas: +370 677 98886 El. paštas: [el. paštas]
statau namą pats daržininkuose. 6 dalis. elektros instaliacija
tags: #elektros #rozeciu #ismetimas
